Zetor Forterra
172-Przedni napęd
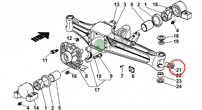
Uszczelniacz combi obudowy przedniego mostu Carraro 40x55x18, Zetor Forterra 100-140 HSX (935339)
Nr katalogowy: 935339
Zastosowanie: Zetor Forterra 100-140 HSX
80,00 zł
netto: 65,04 zł
Możesz złożyć zamówienie telefonicznie pod numerem: 518-934-955
Uszczelniacz combi obudowy przedniego mostu Carraro
Wymiar: 40x55x18
Pasuje do:
Zetor Forterra 100, 110, 120, 130, 140
Zetor Forterra 100, 110, 120, 130, 140 HSX
Umiejscowienie uszczelniacza pokazane jest na rysunku.
Możesz także dokupić Tulejka obudowy przedniego mostu Carraro Zetor Forterra 8641-12441, 95-135, 100-140 HSX (930810)
Pod tym adresem pokazane są pozostałe elementy układu przedni napęd Carraro Zetor Forterra


