Zetor Forterra
172-Przedni napęd
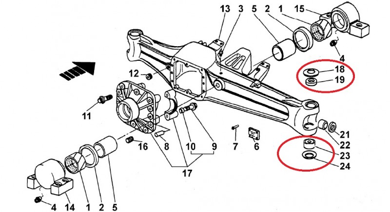
Tuleja górna łożysko dolne + podkładki przedni most Carraro zestaw (1 strona) Zetor Forterra 8641-12441, 95-135
Nr katalogowy: FOR172002
Zastosowanie: Zetor Forterra 8641-12441/95-135
199,00 zł
netto: 161,79 zł
Możesz złożyć zamówienie telefonicznie pod numerem: 518-934-955
Zestaw tuleja górna i łożysko dolne przedniego mostu Carraro wraz z podkładkami na 1 stronę
Zestaw obejmuje:
Tulejkę górną - 1 szt.
Podkładkę górną - 1 szt.
Łożysko dolne - 1 szt.
Podkładka dolna - 1 szt.
Pasuje do:
Zetor Forterra 8641, 9641, 10641, 11441, 11741.4C, 12441
Zetor Forterra 95, 105, 115, 125, 135
Umiejscowienie elementów pokazane jest na rysunku.
Możesz także dokupić Łożysko dolne plus podkładka przedniego mostu Carraro zestaw (1 strona) Zetor Forterra 8641-12441, 95-135 lub Tuleja górna podkładka mostu Carraro zestaw (1 strona) Zetor Forterra 8641-12441, 95-135
Pod tym adresem pokazane są pozostałe elementy układu przedni napęd Carraro Zetor Forterra


