Zetor Forterra
172-Przedni napęd
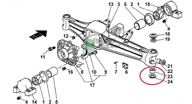
Łożysko dolne plus podkładka przedniego mostu Carraro zestaw (1 strona) Zetor Forterra 8641-12441, 95-135
Nr katalogowy: FOR172004
Zastosowanie: Zetor Forterra 8641-12441/95-135
85,01 zł
netto: 69,11 zł
Możesz złożyć zamówienie telefonicznie pod numerem: 518-934-955
Łożysko dolne wraz z podkładką przedniego mostu Carraro zestaw (1 strona)
Zestaw obejmuje:
Łożysko dolne - 1 szt.
Podkładka górna - 1 szt.
Pasuje do:
Zetor Forterra 8641, 9641, 10641, 11441, 11741.4C, 12441
Zetor Forterra 95, 105, 115, 125, 135
Umiejscowienie elementów pokazane jest na rysunku.
Możesz także dokupić Tuleja górna podkładka mostu Carraro zestaw (1 strona) Zetor Forterra 8641-12441, 95-135 lub Tuleja górna łożysko dolne + podkładki przedni most Carraro zestaw (1 strona) Zetor Forterra 8641-12441, 95-135
Pod tym adresem pokazane są pozostałe elementy układu przedni napęd Carraro Zetor Forterra


