Nr katalogowy: 50509510
Zastosowanie: URSUS C360
2,00 zł
netto: 1,63 zł
Możesz złożyć zamówienie telefonicznie pod numerem: 518-934-955
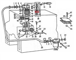
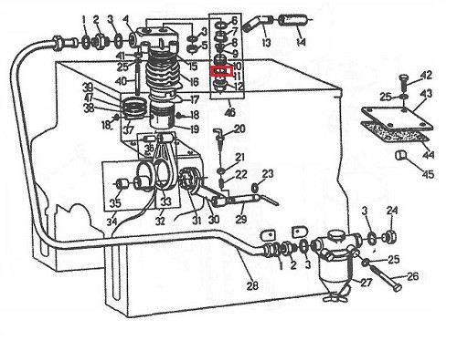
Podkładka uszczelniająca gniazda zaworu sprężarki do Ursusa C-360
Nr katalogowy: 50509510 ; 0050509510 ; 50/50-951/0 ; 0050/50-951/0 ;
Pod tym adresem pokazane są inne elementy układu spężarki.


