Nr katalogowy: 46433011
Zastosowanie: URSUS C360
1100,00 zł
netto: 894,31 zł
Możesz złożyć zamówienie telefonicznie pod numerem: 518-934-955
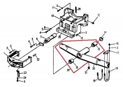
Oś przednia okrągła do Ursusa C-360 i pochodne
Nr katalogowy: 46433011 ; 0046433011 ; 46/43-301/1 ; 0046/43-301/1
Stosuje się 1 sztukę.
Dostępne pod zamówienie klienta- zapraszamy do kontaktu.
Pod tym adresem pokazane są inne elementy układu oś przednia okrągła i płaska.


