Nr katalogowy: 50633010
Zastosowanie: URSUS C360
2850,00 zł
netto: 2317,07 zł
Możesz złożyć zamówienie telefonicznie pod numerem: 518-934-955
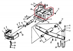
Wspornik osi przedniej okrągłej do Ursusa C-360
Nr katalogowy: 50633010 ; 0050633010 ; 50/63-301/0 ; 0050/63-301/0
Stosuje się 1 sztukę.
Towar dostępny pod zamówienie klienta - zapraszamy do kontaktu.
Pod tym adresem pokazane są inne elementy układu oś przednia okrągła i płaska.


