Ursus c-360
T35+T-35/1 Oś przednia
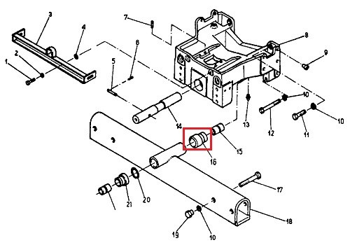
Tulejka osi płaskiej z szerokim kołnierzem do Ursusa C-360 (50833080)
Nr katalogowy: 50833080
Zastosowanie: URSUS C360
20,00 zł
netto: 16,26 zł
Możesz złożyć zamówienie telefonicznie pod numerem: 518-934-955
Tulejka osi płaskiej do Ursusa C-360 (z szerokim kołnierzem)
Nr katalogowy: 50833080; 0050833080; 50/83-308/0; 0050/83-308/0
Stosuje się 1 sztukę.
Pod tym adresem pokazane są inne elementy układu oś przednia okrągła i płaska.


