Ursus c-360
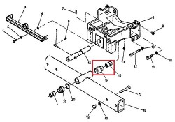
T35+T-35/1 Oś przednia
Tulejka kompletna osi płaskiej z szerokim kołnierzem do Ursusa C-360 (50833080)
Nr katalogowy: 5083308014
Zastosowanie: URSUS C360
37,99 zł
netto: 30,89 zł
Możesz złożyć zamówienie telefonicznie pod numerem: 518-934-955
Tulejka osi płaskiej do Ursusa C-360 (z szerokim kołnierzem, kompletna)
Nr katalogowy: 50833080; 0050833080; 50/83-308/0; 0050/83-308/0 + 80200014
Stosuje się 1 sztukę.
Pod tym adresem pokazane są inne elementy układu oś przednia okrągła i płaska.


