Nr katalogowy: 80200016
Zastosowanie: URSUS C360
7,00 zł
netto: 5,69 zł
Możesz złożyć zamówienie telefonicznie pod numerem: 518-934-955
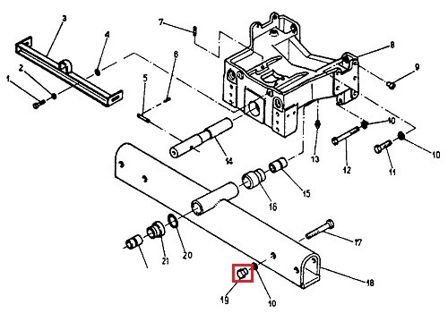
Oś przednia okrągła do Ursusa C-360 i pochodne
Nr katalogowy: 80200016 ; 0080200016
Stosuje się 4 sztuki.
Pod tym adresem pokazane są inne elementy układu oś przednia okrągła i płaska.


