Ursus c-360
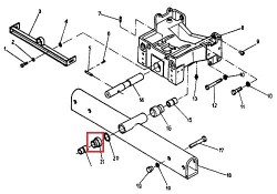
T35+T-35/1 Oś przednia
Tulejka osi płaskiej z wąskim kołnierzem do Ursusa C-360 (50833070)
Nr katalogowy: 50833070
Zastosowanie: URSUS C360
15,01 zł
netto: 12,20 zł
Możesz złożyć zamówienie telefonicznie pod numerem: 518-934-955
Tulejka osi płaskiej do Ursusa C-360 (z wąskim kołnierzem)
Nr katalogowy: 50833070; 0050833070; 50/83-307/0; 0050/83-307/0
Stosuje się 1 sztukę.
Pod tym adresem pokazane są inne elementy układu oś przednia okrągła i płaska.


