Ursus c-360
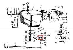
T42-Zbiornik paliwa, wspornik deski rozdzielczej
Kranik paliwa do Ursusa C-360 stary typ mosiężny (50552110)
Nr katalogowy: 50552110
Zastosowanie: URSUS C360
20,00 zł
netto: 16,26 zł
Możesz złożyć zamówienie telefonicznie pod numerem: 518-934-955
Kran paliwa do Ursusa C-360
Nr katalogowy: 50552110; 0050552110; 50/55-211/0; 0050/55-211/0
Stosuje się 1 sztukę.
Pod tym adresem pokazane są inne elementy układu zbiornika paliwa, wspornik deski rozdzielczej.


