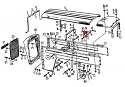
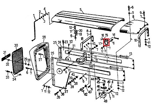
Nr katalogowy: 50653020
Zastosowanie: URSUS C360
11,00 zł
netto: 8,94 zł
Możesz złożyć zamówienie telefonicznie pod numerem: 518-934-955
Zawiasa maski dolna do Ursusa C-360
Nr katalogowy: 50653020; 0050653020; 50/65-302/0; 0050/65-302/0
Stosuje się 2 sztuki.
Pod tym adresem pokazane są inne elementy układu MASKA


