ZETOR 5211-7745
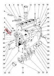
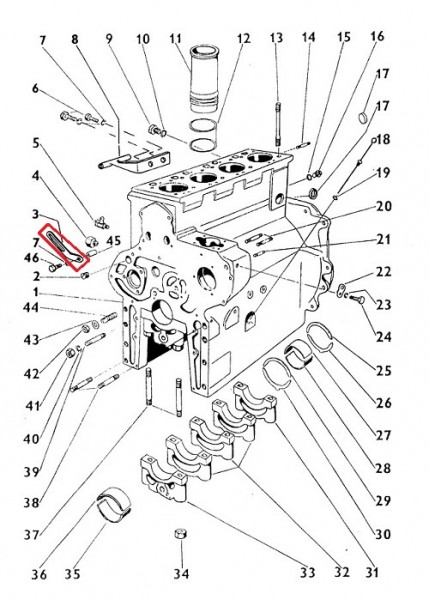
01/02 Kadłub silnika
Jarzmo (wspornik,napinacz) alternatora Zetor 5211-7745 (69010276)(72010252)
Nr katalogowy: 69010276
Zastosowanie: Zetor 5211-7745
30,00 zł
netto: 24,39 zł
Możesz złożyć zamówienie telefonicznie pod numerem: 518-934-955
Jarzmo (napinacz, wspornik) alternatora do ZETORA
Nr katalogowy: 69010276; 6901 0276; 6901-0276
Stosuje się 1 sztukę.
Pasuje do:
Zetor 5211; 5245; 6211; 6245; 7211; 7245; 7245H; 7711; 7745
Pod tym adresem pokazane są inne elementy zespołu KADŁUB SILNIKA do Zetora 5211-7745


