ZETOR 5211-7745
01/02 Kadłub silnika
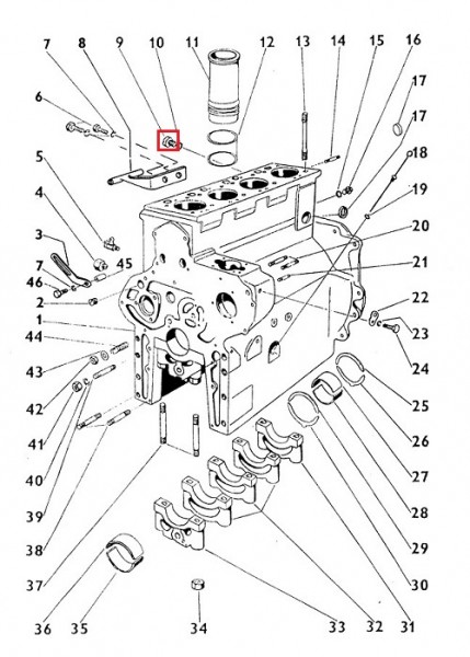
Korek kanału olejowego bloku silnika Zetor 5211-7745 (50501240)(950124)
Nr katalogowy: 50501240
Zastosowanie: Zetor 5211-7745
5,01 zł
netto: 4,07 zł
Możesz złożyć zamówienie telefonicznie pod numerem: 518-934-955
Korek kanalu olejowego bloku silnika Zetor
Nr katalogowy: 50501240; 0050501240; 0050/50-124/0, 50/50-124/0 // 950124; 95-0124
W ciągnikach stosuje się 3 lub 4 sztulki
Pasuje do:
Zetor 5211; 5245; 6211; 6245; 7211; 7245; 7245H; 7711; 7745
Pod tym adresem pokazane są inne elementy zespołu KADŁUB SILNIKA do Zetora 5211-7745


