ZETOR 5211-7745
01/02 Kadłub silnika
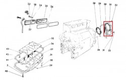
Pokrywa tylna bloku silnika z uszczelniaczem Zetor 5211-7745 (55010240)(50502113)
Nr katalogowy: 50502113
Zastosowanie: Zetor 5211-7745
106,00 zł
netto: 86,18 zł
Możesz złożyć zamówienie telefonicznie pod numerem: 518-934-955
Pokrywa tylna bloku silnika Zetor
Nr katalogowy: 50502113; 0050/50-211/3, 50/50-211/3; 0050/50-211/3; 55010240; 5501 0240; 5501-0240
Na ciągnik stosuje się 1 sztukę.
Pokrywę montuje się śrubami M8x25 (5szt), M8x30 (2szt) i kołkami 8m6x6 (2szt) z podkładkami sprężystymi Fi-8
Pasuje do:
Zetor 5211; 5245; 6211; 6245; 7211; 7245; 7245H; 7711; 7745
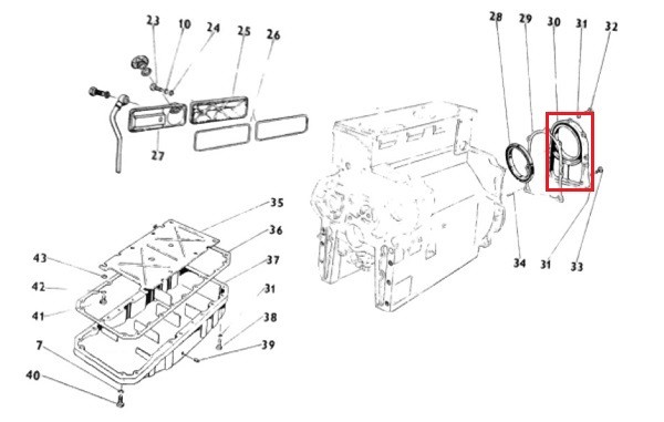
Pod tym adresem znajduje się uszczelka pokrywy tylnej silnika Zetor 5211-7745
Pod tym adresem pokazane są inne elementy zespołu KADŁUB SILNIKA do Zetora 5211-7745


